Модульний контактор 2НO+2НЗ контакти 25А Uкат=220В AC ABB АВР Генератор

- В наявності 1 од.
- Код: ESB25-22N-06
2 270 ₴
2 043 ₴
- +380 (68) 052-00-91viber Для замовлень Viber
Установчий контактор ESB25-22N-06 використовуються для управління однофазними і трифазними навантаженнями до 25 А і може працювати від змінної або постійної напруги.
Контактор ESB25-22N-06 призначен для використання як в побутових цілях, так і в промисловості.
Модульний контактор ESB25-22N-06 управляється напругою: 230 В (змінний / постійний струм).
Контактор ESB25-22N-06 має такі переваги: ??робота без шуму, низьке енергоспоживання і вбудований захист від перенапруги.
Номінальний струм комутації: 25 А
Номінальна напруга котушки управління: 230V DC / AC
Кількість і положення силових контактів: 2 НВ + 2 НЗ (2 Нормально відкриті + 2 Нормально закриті).
Розмір на дин-рейці: 2 мод.
Артикул виробника: 1SAE231111R0622
Розміри контактора ESB25-22N-06


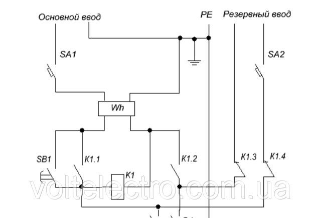
Р - це електротехнічний пристрій з повною назвою - Автоматичний Ввід Резерву. АВР- це обладнання, що містить один або кілька комутаційних апаратів, щоб відключати ланцюги навантаження від одного джерела електроживлення і підключати до іншого джерела живлення. Зазвичай, АВР - це комплектний пристрій, на два вводи електроживлення. Один ввід основний до якого навантаження підключено постійно, а інший ввід - резервний. На резервний ввід навантаження підключається, тільки в тому випадку, коли основний ввід в аварійному стані (недоступний). Пристрій АВР забезпечує підключення навантаження до пріоритетного джерела електроживлення, який має стандартні параметри електромережі. При перемиканні повинні дотримуватися тимчасові затримки на безпечне перемикання, при цьому перебої живлення в навантаженні повинні бути як можливо коротше. Кількість джерел електроживлення може бути більше двох, це визначає ступінь резервування електроживлення навантаження.
З вище згаданого, АВР - це закінчений електротехнічний пристрій, який складається з одного або декількох перемикаючих комутаційних пристроїв (ПКО).
Конструкція АВР
АВР на контакторахЦе найпростіший тип АВР-а, виконаний на контакторах (вони ж - магнітні пускачі). До складу такого АВР-а входять два контактора - один контактор підключає живлення від основного введення на навантаження, інший контактор - від резервного вводу. Для безпечного перемикання навантаження - контактори мають взаємне блокування один з одним. Блокування не дозволяє включити обидва контактора одночасно, додатково встановлюється і електричне взаємоблокування. Електричне блокування перемикання - це додаткові контакти контактора, включені певним чином і не дозволяють подати керуючу напругу на обидва контактора одночасно.

| Основні | |
|---|---|
| Виробник | ABB |
| Країна виробник | Німеччина |
| Додаткові контакти | Так |
| Кнопка вкл./викл. | Ні |
| Кількість фаз | 3 |
| Номінальна робоча напруга | 220 В |
| Номінальний струм | 25 А |
| Теплове реле | Ні |
| Тип контактора | Нереверсивний |
| Частота струму | 50 Гц |
- Ціна: 2 043 ₴




